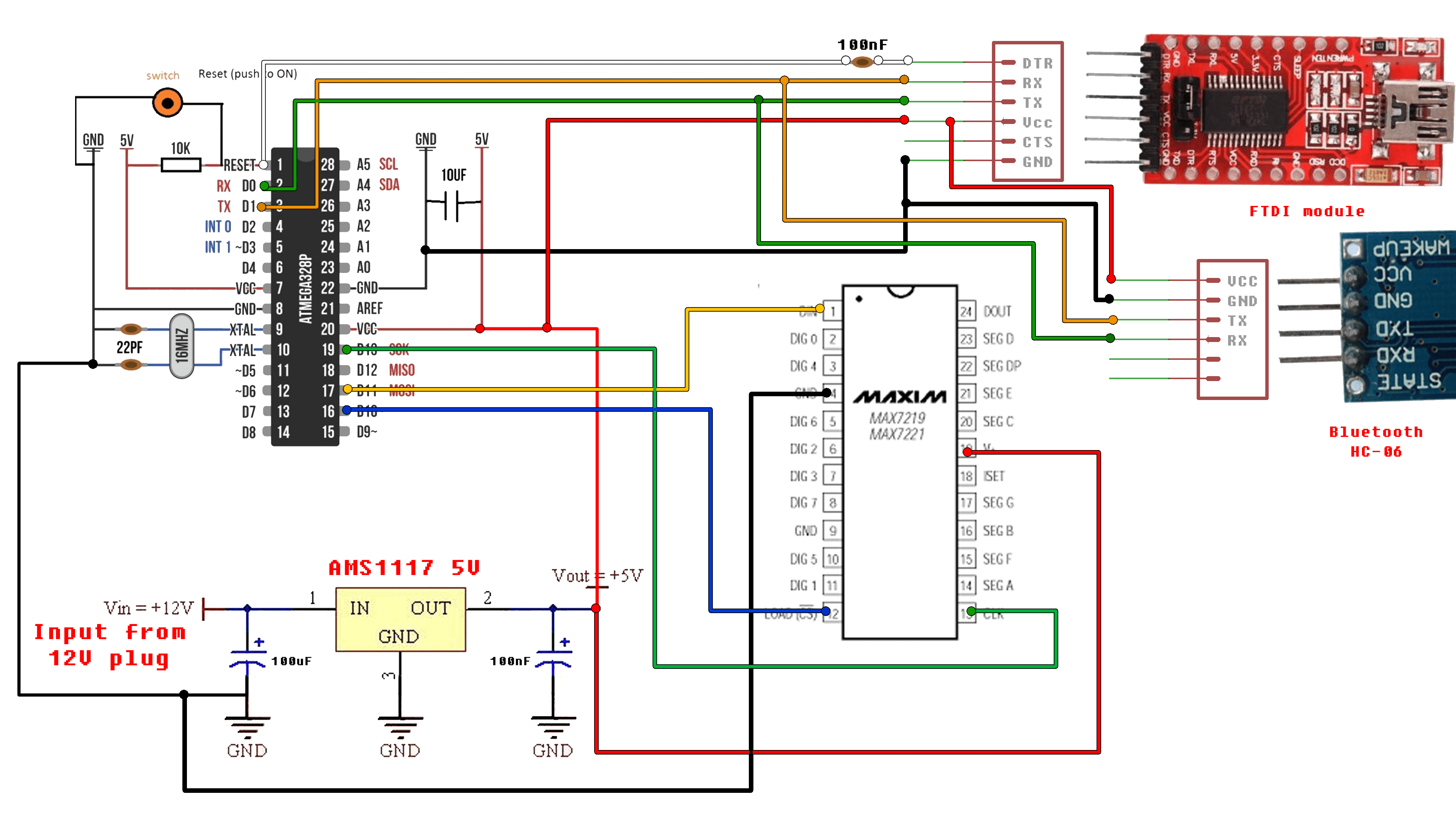
Circuit Diagram Arduino 328P : Part list and clear circuit for arduino rc transmitter and receiver

Atmega328p pinout diagram with arduino functions. Reference designs are provided as is and with all faults. I also design a pcb for the diy arduino, if yu want to amke pcb just download the following gerber file & upload .

Reference designs are provided as is and with all faults. Pin on Arduino
Atmega328 is an mcu from the avr family; I also design a pcb for the diy arduino, if yu want to amke pcb just download the following gerber file & upload . Arduino disclaims all other warranties, express or implied,. Part 12 wraps up the design of the arduino by finishing the atmega328p schematic, generating the bom and finishing up with the shield headers. The atmega328 microcontroller is the mcu used in arduino uno r3 as a main controller. Reference designs are provided as is and with all faults.

I've drawn the schematic with frizzing, then i have printed on paper some prototypes to see if the circuit tracks were correct.

I've drawn the schematic with frizzing, then i have printed on paper some prototypes to see if the circuit tracks were correct. I also design a pcb for the diy arduino, if yu want to amke pcb just download the following gerber file & upload . Part 12 wraps up the design of the arduino by finishing the atmega328p schematic, generating the bom and finishing up with the shield headers. In this video, we will see how to make your own standalone arduino circuit on a breadboard with atmega328p microcontroller with some basic . The atmega328 microcontroller is the mcu used in arduino uno r3 as a main controller. Follow the circuit diagram to make connections. Reference designs are provided as is and with all faults. Atmega328p pinout diagram with arduino functions.

I've drawn the schematic with frizzing, then i have printed on paper some prototypes to see if the circuit tracks were correct. Atmega328p pinout diagram with arduino functions. In this video, we will see how to make your own standalone arduino circuit on a breadboard with atmega328p microcontroller with some basic .

In this video, we will see how to make your own standalone arduino circuit on a breadboard with atmega328p microcontroller with some basic . Pin by StupitStinky on Tech Stuff | Arduino, Converter, Circuit
The atmega328 microcontroller is the mcu used in arduino uno r3 as a main controller. Atmega328p pinout diagram with arduino functions. Now, have a look at our favorite arduino uno to find out the avr chip inside. In this video, we will see how to make your own standalone arduino circuit on a breadboard with atmega328p microcontroller with some basic . Follow the circuit diagram to make connections. Hello!!in this instructables we shall learn to use arduino uno .

I've drawn the schematic with frizzing, then i have printed on paper some prototypes to see if the circuit tracks were correct.

Now, have a look at our favorite arduino uno to find out the avr chip inside. In this video, we will see how to make your own standalone arduino circuit on a breadboard with atmega328p microcontroller with some basic . I also design a pcb for the diy arduino, if yu want to amke pcb just download the following gerber file & upload . Hello!!in this instructables we shall learn to use arduino uno . Arduino disclaims all other warranties, express or implied,. Follow the circuit diagram to make connections. Atmega328p pinout diagram with arduino functions. Atmega328 is an mcu from the avr family;

I've drawn the schematic with frizzing, then i have printed on paper some prototypes to see if the circuit tracks were correct. Follow the circuit diagram to make connections. Part 12 wraps up the design of the arduino by finishing the atmega328p schematic, generating the bom and finishing up with the shield headers.

I also design a pcb for the diy arduino, if yu want to amke pcb just download the following gerber file & upload . Pin on Geek_Arduino
Atmega328p pinout diagram with arduino functions. Arduino disclaims all other warranties, express or implied,. Now, have a look at our favorite arduino uno to find out the avr chip inside. Atmega328 is an mcu from the avr family; The atmega328 microcontroller is the mcu used in arduino uno r3 as a main controller. I also design a pcb for the diy arduino, if yu want to amke pcb just download the following gerber file & upload .

Arduino disclaims all other warranties, express or implied,.

Follow the circuit diagram to make connections. Arduino disclaims all other warranties, express or implied,. In this video, we will see how to make your own standalone arduino circuit on a breadboard with atmega328p microcontroller with some basic . I also design a pcb for the diy arduino, if yu want to amke pcb just download the following gerber file & upload . Reference designs are provided as is and with all faults. Atmega328p pinout diagram with arduino functions. Part 12 wraps up the design of the arduino by finishing the atmega328p schematic, generating the bom and finishing up with the shield headers. Now, have a look at our favorite arduino uno to find out the avr chip inside.

Circuit Diagram Arduino 328P : Part list and clear circuit for arduino rc transmitter and receiver. I've drawn the schematic with frizzing, then i have printed on paper some prototypes to see if the circuit tracks were correct. Part 12 wraps up the design of the arduino by finishing the atmega328p schematic, generating the bom and finishing up with the shield headers. Now, have a look at our favorite arduino uno to find out the avr chip inside.

Komentar

Postingan populer dari blog ini

Land For Sale In Essequibo Coast Guyana : For Sale Investment All Things Real Estate In Guyana - Itradeproperty was launched in 2009, itradeproperty contains property listing directly from owner or real estate.

Best Residential Interior Designers - The World S Top 10 Interior Designers News And Events By Maison Valentina Luxury Bathrooms

0.05 Ct Diamant : Solitaire Ancien Diamant | Bijoux anciens, Bijoux, Bagues